深圳市東么川伺服控制技術有限公司
電話:13316379101
郵箱:1355229533@qq.com
地址:深圳市龍華區民治街道樟坑社區青創城A棟B502
n95口罩機步進電機、口罩機伺服驅動器應用方案
發布時間:2020-04-26 02:26:18
伴隨著口罩機供應量的暴增,相匹配的n95口罩機步進電機和伺服驅動器一樣也是上升很多,步進電機早就普遍使用在口罩機領域,有很完善的技術應用實施方案!
銷售市場口罩機型號規格類型有很多,步進電機生產商為您做了歸納如下所示:
口罩機設備類型:杯型口罩機,無紡織布平面口罩機,N95口罩機,3M9001/9002折疊式口罩機,鴨嘴型口罩機,立體3m防塵口罩機等。

依照平面口罩機系列產品耳帶的焊接方式和操作方法不同可以分成:

內耳帶口罩機、外耳帶口罩機、綁帶式口罩機生產這三種平面口罩都須要采用口罩本體機,它是組成平面口罩必不可少的一部分。
生產效率:
平面口罩打片機每分一百二十-一百五十片,耳帶自動焊接機四十-五十片。生產線設備中,最主要的是須要不同的口罩打片機(亦稱口罩一體機),而根據生產口罩的形狀、材質,主要有3種。
一拖二平面口罩機外觀圖:

口罩設備并不是一臺的機器設備,它須要幾臺機器設備的相互配合進行各種各樣不同的工序,口罩生產工藝流程是將多層無紡織布通過熱壓、折疊成型,超聲波焊接,廢料切除,耳帶鼻梁條焊接等工序制造出具有相應過濾性能的各種口罩。
N95口罩機步進驅動器搭配
名稱:低壓兩相步進驅動器DMA860H
型號:DMA860H

驅動器功能說明:
|
驅動器功能 |
操作說明 |
|
微步細分設定 |
由SW5-SW8四個撥碼開關來設定驅動器微步細分數,其共有15檔微步細分。用戶設定微步細分時,應先停止驅動器運行。具體微步細分數的設定,請驅動器面版圖說明。 |
|
輸出電流設定 |
由 SW1-SW3 三個撥碼開關來設定驅動器輸出電流,其輸出電流共有8檔。具體輸出電流的設定,請驅動器面版圖說明。 |
|
|
用戶可通過SW4來設定驅動器的自動半流功能。off表示靜態電流設為動態電流的一半,on表示靜態電流與動態電流相同。一般用途中應將 SW4 設成 off,使得電機和驅動器的發熱減少,可靠性提高。脈沖串停止后約0.4秒左右電流自動減至一半左右(實際值的60%),發熱量理論上減至36%。 |
|
信號接口 |
PUL+和 PUL-為控制脈沖信號正端和負端;DIR+和DIR-為方向信號正端和負端;ENA+和 ENA-為使能信號的正端和負端。 |
|
電機接口 |
A+和 A-接步進電機A相繞組的正負端;B+和B-接步進電機B相繞組的正負端。當A、B兩相繞組調換時,可使電機方向反向。 |
|
電源接口 |
采用交流或直流電源供電,工作電壓范圍建議為:DC36-110VDC,或者AC20-AC90V, 電源功率大于300W。 |
|
|
驅動器有紅綠兩個指示燈。其中綠燈為電源指示燈,當驅動器上電后綠燈常亮;紅燈為故障指示燈,當出現過壓、過流故障時,故障燈常亮。故障清除后,紅燈滅。當驅動器出現故障時,只有重新上電和重新使能才能清除故障。 |
|
安裝說明 |
驅動器的外形尺寸為:151×97×48mm,安裝孔距為143mmmm。既可以臥式和立式安裝,建議采用立式安裝。安裝時,應使其緊貼在金屬機柜上以利于散熱。 |
工作電流設定:
|
輸出電流 |
參考電流 |
SW1 |
SW2 |
SW3 |
|
2.40A |
1.70A |
on |
on |
on |
|
3.08A |
2.18A |
off |
on |
on |
|
3.77A |
2.66A |
on |
off |
on |
|
4.45A |
3.15A |
off |
off |
on |
|
5.14A |
3.63A |
on |
on |
off |
|
5.83A |
4.12A |
off |
on |
off |
|
6.52A |
4.61A |
on |
off |
off |
|
7.20A |
5.10A |
off |
off |
off |
微步細分設定:
|
步數/轉 |
SW5 |
SW6 |
SW7 |
SW8 |
|
400 |
off |
on |
on |
on |
|
800 |
on |
off |
on |
on |
|
1600 |
off |
off |
on |
on |
|
3200 |
on |
on |
off |
on |
|
6400 |
off |
on |
off |
on |
|
12800 |
on |
off |
off |
on |
|
25600 |
off |
off |
off |
on |
|
1000 |
on |
on |
on |
off |
|
2000 |
off |
on |
on |
off |
|
4000 |
on |
off |
on |
off |
|
5000 |
off |
off |
on |
off |
|
8000 |
on |
on |
off |
off |
|
10000 |
off |
on |
off |
off |
|
20000 |
on |
off |
off |
off |
|
25000 |
off |
off |
off |
off |
名稱:低壓兩相DMA872H
型號:DMA872H
簡介:DMA872H采用最新 32位處理器為運算核心,多種電流與細分設置,能夠滿足大多數場合的應用需要。由于采用內置微細分技術,即使在低細分的條件下,也能夠達到高細分的效果,低中高速運行都很平穩,噪音超小。驅動器具有電機參數學習及控制參數自動整定,及運行過程微調自適應參數的變化功能,能夠針對不同電機自動生成最優運行參數,最大限度發揮電機的性能。

工作電流設定:
|
輸出電流 |
參考電流 |
SW1 |
SW2 |
SW3 |
|
2.40A |
1.70A |
on |
on |
on |
|
3.08A |
2.18A |
off |
on |
on |
|
3.77A |
2.66A |
on |
off |
on |
|
4.45A |
3.15A |
off |
off |
on |
|
5.14A |
3.63A |
on |
on |
off |
|
5.83A |
4.12A |
off |
on |
off |
|
6.52A |
4.61A |
on |
off |
off |
|
7.20A |
5.10A |
off |
off |
off |
微步細分設定:
|
步數/轉 |
SW5 |
SW6 |
SW7 |
SW8 |
|
400 |
off |
on |
on |
on |
|
800 |
on |
off |
on |
on |
|
1600 |
off |
off |
on |
on |
|
3200 |
on |
on |
off |
on |
|
6400 |
off |
on |
off |
on |
|
12800 |
on |
off |
off |
on |
|
25600 |
off |
off |
off |
on |
|
1000 |
on |
on |
on |
off |
|
2000 |
off |
on |
on |
off |
|
4000 |
on |
off |
on |
off |
|
5000 |
off |
off |
on |
off |
|
8000 |
on |
on |
off |
off |
|
10000 |
off |
on |
off |
off |
|
20000 |
on |
off |
off |
off |
|
25000 |
off |
off |
off |
off |
平面口罩機步進驅動器搭配
名稱:低壓兩相DM545A
型號:DM545A
簡介:DM545A型驅動器,具有更低的電機發熱、運行噪聲和更高的平穩性,以及更低的成本,主要驅動42、57型兩相混合式步進電機。其微步細分數有15種,最大步數為25000Pulse/rev;其工作峰值電流范圍為1A-4.2A,輸出電流共有8檔,電流的分辨率約為0.45A;具有自動半流,過壓和過流保護等功能。本驅動器為直流供電,建議工作電壓范圍為24VDC-36VDC,電壓不超過50VDC,不低于20VDC

●智能電流控制,提高動態Q值,使電機發熱大為降低
●抗共振技術,輕松突破中速共振區,中高速特性良好
●改進型PWM控制算法使電機及驅動器發熱量更小
●全流切換到半流無明顯的噪音與振動
●可驅動 4,6,8 線兩相步進電機
●光隔離差分信號輸入
●脈沖響應頻率最高可達 200KHz
●電流設定方便
●具有過壓、欠壓、短路等保護功能驅動器功能說明:
電流設定:
| 輸出電流 | 參考電流 | SW1 | SW2 | SW3 |
| 1.00A | 0.71A | on | on | on |
| 1.46A | 1.04A | off | on | on |
| 1.91A | 1.36A | on | off | on |
| 2.37A | 1.69A | off | off | on |
| 2.84A | 2.03A | on | on | off |
| 3.31A | 2.36A | off | on | off |
| 3.76A | 2.69A | on | off | off |
| 4.20A | 3.00A | off | off | off |
微步細分設定:
| 步數/轉 | SW5 | SW6 | SW7 | SW8 |
| 400 | off | on | on | on |
| 800 | on | off | on | on |
| 1600 | off | off | on | on |
| 3200 | on | on | off | on |
| 6400 | off | on | off | on |
| 12800 | on | off | off | on |
| 25600 | off | off | off | on |
| 1000 | on | on | on | off |
| 2000 | off | on | on | off |
| 4000 | on | off | on | off |
| 5000 | off | off | on | off |
| 8000 | on | on | off | off |
| 10000 | off | on | off | off |
| 20000 | on | off | off | off |
| 25000 | off | off | off | off |

名稱:低壓兩相DM542A型號:DM542A

| 輸出峰值電流 | 輸出參考電流 | SW1 | SW2 | SW3 |
| 1.00A | 0.71A | on | on | on |
| 1.46A | 1.04A | off | on | on |
| 1.91A | 1.36A | on | off | on |
| 2.37A | 1.69A | off | off | on |
| 2.84A | 2.03A | on | on | off |
| 3.31A | 2.36A | off | on | off |
| 3.76A | 2.69A | on | off | off |
| 4.20A | 3.00A | off | off | off |
| 步數/轉 | SW5 | SW6 | SW7 | SW8 |
| 200 | on | on | on | on |
| 400 | off | on | on | on |
| 800 | on | off | on | on |
| 1600 | off | off | on | on |
| 3200 | on | on | off | on |
| 6400 | off | on | off | on |
| 12800 | on | off | off | on |
| 25600 | off | off | off | on |
| 1000 | on | on | on | on |
| 2000 | off | on | on | off |
| 4000 | on | off | on | off |
| 5000 | off | off | on | off |
| 8000 | on | on | on | off |
| 10000 | off | on | off | off |
| 20000 | on | off | off | off |
| 25000 | off | off | off |
off |

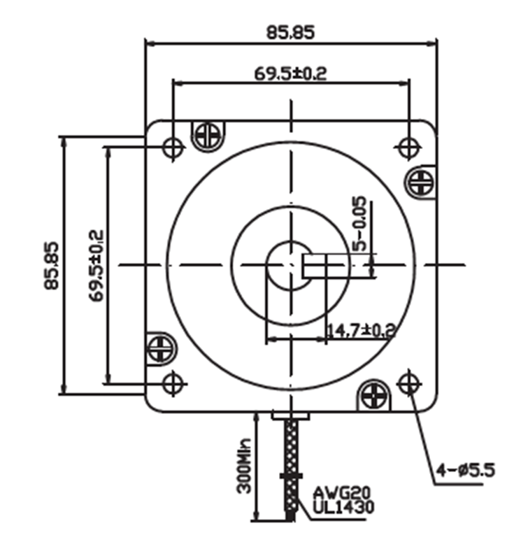
n95口罩機、平面口罩機搭配步進電機:
名稱:86mm兩相混合式步進電機
型號:86mm

| 項目 | 技術參數 |
| 步距角 | 1.8° |
| 步距角精度 | ±5%(整步,空載) |
| 電阻精度 | ±10%(@20°) |
| 電感精度 | ±20%( 1KHz) |
| 溫升 | 80℃Max.(額定電流,2相通電) |
| 環境溫度 | -20°~ + 50℃ |
| 絕緣電阻 | 100MΩMin.500VDC |
| 耐壓 | 500VAC/Min |
| 徑向間隙 | 0.02mmMax.(450g負載) |
| 軸向間隙 | 0.08 mmMax.(450g負載) |
| 徑向最大負載 | 220N(距法蘭面20mm) |
| 軸向最大負載 | 60N |
| 型號 | 接線方式 |
步距角 (度) |
額定電流 (A) |
相電阻 (Ω) |
相電感 (mH) |
保持轉矩(N.M) | 轉子慣量(g.c㎡) |
機身長 (mm) |
軸徑 (mm) |
引線數 |
| 86HS33 | 串聯 | 1.8 | 1.98 | 2.60 | 15.60 | 3.30 | 1000 | 65 | 12.7 | 4or8 |
| 并聯 | 3.96 | 0.65 | 3.90 | |||||||
| 86HS45 | 串聯 | 1.8 | 3.00 | 1.30 | 12.00 | 4.50 | 1400 | 80 | 12.7 | 4or8 |
| 并聯 | 6.00 | 0.33 | 3.00 | |||||||
| 86HS85 | 串聯 | 1.8 | 3.00 | 1.80 | 24.00 | 8.50 | 2700 | 118 | 12.7or14 | 4or8 |
| 并聯 | 6.00 | 0.45 | 6.00 | |||||||
| 86HS12 | 串聯 | 1.8 | 2.95 | 2.92 | 34.70 | 12.00 | 4000 | 156 | 12.7or14 | 4or8 |
| 并聯 | 5.90 | 0.73 |
8.68 |

東么川生產的步進驅動器,步進電機,步進電機伺服驅動器,N95口罩機步進電機、無刷電機,無刷電機伺服驅動器,被廣大廠家普遍使用,是優先采購的企業,被大家普遍的認可,在整個業界口碑良好,全系產品被普遍的用在,機器人領域,自動化設備,以及數控機床、醫療設備、紡織印刷、雕刻機、激光打標機、激光內雕機、電子設備、剝線機、包裝機械、廣告設備、貼標機、恒速技術應用、等多個領域,產品在噪音以及振動方面控制的非常好,和其他企業產品一對比優勢非常明顯。
產品推薦:兩相步進電機
產品推薦:無刷電機
產品推薦:兩相步進驅動器
產品推薦:直流無刷驅動器




























地址 ADDRESS