產品中心
解決方案
聯系我們
深圳市東么川伺服控制技術有限公司
電話:13316379101
郵箱:1355229533@qq.com
地址:深圳市龍華區民治街道樟坑社區青創城A棟B502
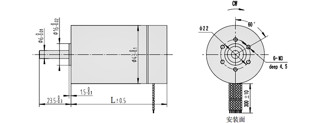
43mm空心杯直流無刷電機

型號:43mm
名稱:43mm空心杯直流無刷電機
簡介:
東么川伺服43mm空心杯直流無刷電機具有啟動電壓穩定,體積小,扭力大,噪音低,壽命長,效率高,精度準,節能環保等優勢。廣泛應用于智能家電,電動窗簾,電動門窗,智能煮飯煲,醫療泵,手術器械,醫用手槍鉆,繞線機,印刷機,裝訂機,裁剪機,開瓶機,電視機架,精密儀器,機器人,電動工具等領域。
- 規格參數
- 產品特點
- 產品尺寸圖
- 匹配產品
- 應用領域
- 資料下載

| 項目\型號 | 單位 | 43BL50-24140 | 43BL56-24140 | 43BL71-24200 |
| 輸入電壓 | VDC | 24 | 24 | 24 |
| 空載轉速 | rpm | 14000 | 14000 | 20000 |
| 空載電流 | A | 0.4 | 0.55 | 1 |
| 電阻 | Ω | 0.88 | 1.07 | 0.22 |
| 電感 | mH | 0.1 | 0.09 | 0.01 |
| 最大輸出功率 | W | 158.87 | 128.06 | 642.6 |
| 效率 | % | 77.24 | 71.13 | 81.76 |
| 堵轉力矩 | mNm | 433.46 | 349.39 | 1227.27 |
| 轉動慣量 | gcm2 | 70 | 70 | 108 |
| 機身長度 | mm | 50 | 56 | 71 |
| 電機重量 | g | 300 | 320 | 440 |
| 適配驅動器 | DBL-2410R | DBL-2410R | DBL-4820R |
●進口配件,使用壽命更長。
●低震動,小噪音。
●相同體積,輸出轉矩更大。
●更高轉速,溫升更低。
● 工作電壓 、 運行轉速可根據用戶需求訂制。
● 輸出軸徑 、軸長、及出軸方式可根據用戶需求訂制。
● 電機極對數、霍爾傳感器角度可根據用戶需求訂制。
● 用戶可選擇有、無霍爾驅動。
● 可選配:減速結構、剎車器、內置驅動器。
● 端蓋可用鋁合金或不銹鋼材料。
● 軸承型式:含油軸承或滾動軸承。
● 電機順時針或逆時針旋轉皆可。

- 上一篇:沒有了!
- 下一篇:35mm空心杯無刷電機
相關產品:兩相步進電機
相關產品:無刷電機
相關產品:兩相步進驅動器
相關產品:產品中心



























地址 ADDRESS