解決方案
產品中心
聯系我們
深圳市東么川伺服控制技術有限公司
電話:13316379101
郵箱:1355229533@qq.com
地址:深圳市龍華區民治街道樟坑社區青創城A棟B502
運載小車配套推薦750W伺服套裝配精密減速機
發布時間:2021-10-22 11:50:46
客戶自行研發的動力小車,之前選用的86步進電機套裝配16速比行星減速機,電機用在小車底盤,做四輪行走。現有的配置能夠實現車輛行走,但是在差速轉向時步進電機帶不動,完成不了動作。針對客戶目前遇到的問題,我們為客戶推薦伺服套裝配精密減速機。

伺服電機推薦80伺服,750W ,2.39NM ,3000轉,電機參數如下:


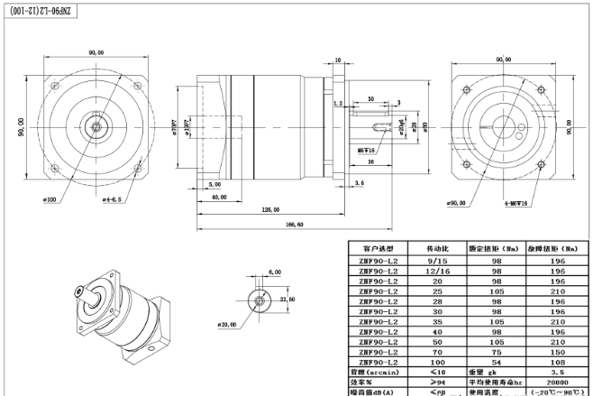
運載小車對于速度的要求不高,但需要有足夠的轉矩,為此需要在伺服電機上加裝減速機已達到降低速度增加扭矩的效果,為客戶選配20速比精密減速機,輸出轉速為:150轉/分鐘;輸出扭矩約為43NM;
精密行星減速機內部齒輪采用優質低碳合金鋼,經滲碳淬火,研磨跑合,具有體積小,重量輕,承載能力高,使用壽命長,運轉平穩,噪聲低,輸出扭矩大,速比大,效率高,性能安全的特點。
產品推薦:兩相步進電機
產品推薦:無刷電機
產品推薦:兩相步進驅動器
產品推薦:直流無刷驅動器




























地址 ADDRESS